
Why it doesn’t work or the most common mistakes in PCB schematic design
Why doesn't it work? Every HW developer has asked this question during the course of their development career. What mistakes can lead to non-functionality of the designed electronics? And how can design software help you?
A problem with data buses
The basic error is usually swapped data wires, for example Rx and Tx, MISO and MOSI signals or SDA and SCL. Less often we encounter swapped wires in buses using differential pairs, for example RS485 and USB. In addition to the control, it is advisable to place 0R resistors on these signals, and if necessary, the signals can be crossed in place of the resistors.
How to deal with project structure, company standards and other factors
For schematic design, it is advisable to make use of all the possibilities of the development environment. A PCB project involving schematics must have a suitable structure (hierarchical/flat/variations thereof) and must use adequate signal interconnection tools (port, power port, harness...). If the schematic uses these capabilities, some errors are often detected by the design software. We at ASN+ use the Altium Designer design software, which does an excellent job in this area.
Another group of errors is bad schematic mark (symbol) design. The most important thing is that the mark is clear and identical to the mark in the datasheet (same pin numbering, same pin positions, etc.). Second only to that is that the symbol is in line with the company standards. We recommend using the rule: Double check your circuit, triple check new library parts.
The schematic sheet must contain everything required by company standards. However, it is much more important to have as many notes from simulations, calculations, layout design tips, figures, tables, etc. as possible. We recommend writing here everything that can improve the clarity of the drawing and that might be useful to the reader/user of the drawing in the future. It is also useful to colour some of the frequently used signals as it can greatly contribute to the clarity of the drawing.
Use a minimum of crossing connections. Crossed lines impair the clarity of the diagram. Sometimes it is difficult to distinguish which lines are connected and which are not.
When creating schematics, think about animating, testing, and possibly modifying the resulting circuit board. Add capacitors, recovery resistors, or ferrite beads. Make use of fitting variations, leaving redundant positions unfitted. Plenty of spare positions can be useful for various future modifications, testing or fine-tuning during EMC tests.
Label components correctly. The purchasing department will thank you
When creating libraries, pay attention to the component designation notation. Distinguish what needs proper attention. Some letters at the end of the name are important, others are not. The part-number of each part must be unambiguous. Inaccurate designation often delays the manufacturing process. Clarifying the part name during the purchasing process can lead to the wrong part being purchased. Nowadays, it is a good idea to assign as many possible alternative parts to each library item as possible in case the primary part is unavailable.
Name the components well.
Do not use 2.2uF, the correct notation is 2u2. This greatly improves readability. This rule also solves the classic factory question, "Should we use a 100nF or 0.1uF capacitor?"
It is essential to insert all the components that the board contains into the schematics. This means that you need to include the PCB connector protrusions, the fasteners (screws, nuts, spacers...) or even jumpers and labels.
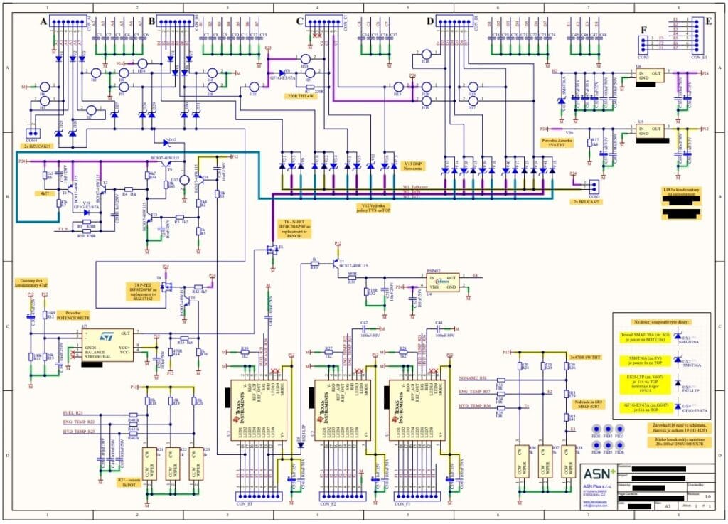
From practice:
Here you can see a board several decades old. Zero clarity. No notes, poor readability. Lots of crossing lines (all the colored notes and highlights were added when the board was redesigned).

In the second picture below you can see a diagram of the redesigned board. The original concept of a single schematic sheet was used to maintain the possibility of back-checking.

The colour highlighting of the important signals and the full notes are hilarious. Altium designer can also transfer the color highlighting to the PCB. This allows, for example, its service without a computer in the uncompromising outdoor industrial conditions where this equipment is found. Also worth mentioning is the huge background that Altium Designer hides (quick access to datasheets, 3D models, BOM generation, etc...). The first, old schematic certainly doesn't provide that.
We recommend every company to write down design errors and create a simple checklist. This checklist should then be part of the so-called "release procedure" together with other control mechanisms. What mistakes do you make most often? What does your checklist look like? Is there a "release procedure" in your company? What form does it take and what does it contain?